Kapazitive Kopplung
Die kapazitive Kopplung stellt im Bereich der Elektrotechnik die Übertragung von Energie von einem Leiter zu einem anderen aufgrund der gegenseitigen elektrischen Kapazität dar. Es kann sich dabei um einen unerwünschten (parasitären) oder erwünschten Effekt handeln.
Die kapazitive Kopplung ist frequenzabhängig und nimmt mit zunehmender Frequenz zu. Da die elektrische Kapazität zwischen Leitern mit steigender Entfernung abnimmt, ist die kapazitive Kopplung sehr stark abstandsabhängig und daher nur bei kleinen Abständen nutzbar.
Die unerwünschte kapazitive Kopplung ist (neben induktiver Kopplung, galvanischer Kopplung und Strahlungskopplung) eine der Kopplungsarten, die für die Elektromagnetischen Verträglichkeit (EMV) eine Rolle spielt. Sie ist eine Ursache für unerwünschtes Übersprechen zwischen parallel geführten Telefonleitungen. Als erwünschter Effekt kommt sie in der Schaltungstechnik zur Kopplung zweier Schaltkreise unter bestimmten Rahmenbedingungen zum Einsatz; als Kopplungskapazität werden hierbei entsprechend gewählte Kondensatoren benutzt.
Elektromagnetische Verträglichkeit
Die kapazitive Kopplung betrifft im Rahmen der EMV verschiedene räumlich benachbarte elektrische Schaltungsteile, welche in Folge von Streukapazitäten gekoppelt sind. Tritt zwischen zwei Stromkreisen eine Potentialdifferenz auf, d.h. liegen sie auf unterschiedlichem Potential, so entsteht ein elektrisches Feld E. Dieses elektrische Feld kann bei zeitlicher Veränderung Verschiebungsströme verursachen, welche sich als Spannungsfälle in einer dem Nutzsignal überlagerten Störspannung äußern. Die Feldwirkung wird in Netzwerken, wie in der Abbildung rechts, als eine Kapazität mit der Streukapazität Cs modelliert.
Schaltungstechnische Anwendung
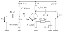
Wenn zwei Teile eines Stromkreises auf verschiedenen Gleichspannungspotenzialen liegen, aber ein Wechselspannungssignal (Beispiel: Audiosignal) von einem zum anderen Schaltungsteil übertragen werden soll, schaltet man einen Kondensator dazwischen. Wenn er eine genügend hohe Kapazität aufweist, ist seine Impedanz für die zu übertragenden Wechselspannungssignale vernachlässigbar oder zumindest beherrschbar; die Gleichspannungskomponente, welche unter anderem für die Arbeitspunkteinstellung der Verstärkerstufe benötigt wird, wird hingegen abgeblockt.


© biancahoegel.de
Datum der letzten Änderung: Jena, den: 06.06. 2022