Cracken
Cracken (engl. crack „spalten“), selten auch Kracken, ist ein Verfahren zur Stoffumwandlung (Konversion) in der Erdölverarbeitung, mit dem mittel- und langkettige Kohlenwasserstoffe in kurzkettige Kohlenwasserstoffe gespalten werden. Dies ist notwendig, da der Markt mehr kurzkettige Kohlenwasserstoffe (Benzin, Diesel, leichtes Heizöl) fordert als im Erdöl enthalten sind, während langkettige Kohlenwasserstoffe (schweres Heizöl) abnehmend Verwendung finden. Die Nachfrage nach Ethen und Propen zur Herstellung von Polymeren hat dazu geführt, dass auch kurzkettige Alkane wie Ethan, Propan, Butan, hauptsächlich aber Naphthafraktionen, als Ausgangsstoffe für thermische Crackverfahren verwendet werden.
Es gibt zwei Gruppen von Crackverfahren: Thermisches Cracken und katalytisches Cracken. Da beim thermischen Cracken keine Katalysatoren eingesetzt werden, können auch Rückstände der Erdöldestillation zugeführt werden, die wegen ihres Gehalts an Schwermetallen und Schwefel die eingesetzten Katalysatoren beim katalytischen Cracken schädigen würden.
Thermisches Cracken
Beim thermischen Cracken werden Kohlenwasserstofffraktionen unter Druck auf ca. 450 bis 900 °C erhitzt (je nach Verfahren). Dabei geraten die langen Kohlenwasserstoffmoleküle in so starke Schwingungen, dass die Kohlenwasserstoffketten brechen. Es entstehen kurzkettige olefinische Kohlenwasserstoffmoleküle, aber auch – durch Rekombination – höhermolekulare paraffinische Verbindungen sowie Aromaten und – als unerwünschtes Nebenprodukt – Kohlenstoff (Koks). Der russische Ingenieur Wladimir Grigorjewitsch Schuchow und der russische Chemiker Sergei Gawrilow entwickelten 1891 als erste eine industrielle Anlage zum thermischen Cracken von Erdöl. In den USA wurde ein solches Verfahren von William M. Burton bei Standard Oil entwickelt und 1913 patentiert.
Steamcracking
Beim Steamcracken wird das in einer Raffinerie anfallende Naphtha (bzw. Fraktionen hiervon), welches überwiegend aus längerkettigen Alkanen besteht (C5-C10), unter Zugabe von Wasserdampf in kurzkettige Olefine (Alkene) gespalten. Auch bei der Erdgasgewinnung anfallendes Ethan sowie Propan und Butan wird zur Olefinherstellung verwendet. Daneben finden sogar Gasölfraktionen und Hydrocracker Bottoms (siehe: Hydrocracken) als sogenannte Alternative Feedstocks Verwendung. Der Steamcracker dient der Herstellung von Rohstoffen, die hauptsächlich zu Kunststoffen, Lacken, Lösemitteln oder Pflanzenschutzmitteln verarbeitet werden.
Visbreaking
Das Visbreaking (für Viscosity breaking, Reduktion
der Viskosität) dient
hauptsächlich der Herstellung von Gasöl aus Rückständen der
Erdölverarbeitung (meistens sogenannter Vakuumrückstand,
aber auch atmosphärischer Rückstand aus der Rohöldestillation).
Es wird zwischen Soaker Visbreaking und Coil Visbreaking unterschieden.
Der bitumenartige Rückstand wird zunächst auf etwa 200 °C vorgewärmt und
anschließend in einem Heizofen auf ca. 450 °C (Soaker) bzw. 490 °C
(Coil) erhitzt. Im nachgeschalteten sogenannten Soaker (ein mehrere
Kubikmeter großer länglicher Behälter) findet das eigentliche Cracking statt.
Beim Coil Visbreaking fehlt der Soaker, dafür sind die Reaktionstemperaturen
höher und kompensieren dadurch die geringere Verweilzeit.
Das Komponentengemisch wird hinter dem Soaker/Ofen destillativ getrennt
(atmosphärisch und anschließend ggf. unter Vakuum). Neben den erwünschten
Hauptprodukten (Gase, Naphtha, Gasöl, Schwerölkomponenten) entstehen geringe
Mengen an Koks, der sich schichtweise an den Ofenrohren, im Soaker und in den
Destillationskolonnen absetzt. Deshalb muss die Anlage im Abstand von mehreren
Monaten abgestellt und „entkokt“ werden.
Ein dem Coil Visbreaking analoges
Verfahren eignet sich auch zum Cracken von Vakuumgasöl.
Dann wird – begriffsverwirrend – von einem Thermal Cracker gesprochen.
Delayed Coking
Beim delayed coking (deutsch: verzögertes Koksbilden) handelt es sich um das heftigste thermische Crackingverfahren, eine Steigerung des oben beschriebenen Visbreaking. Dabei werden aus dem bitumenähnlichen Rückstand der Vakuumdestillation einer Raffinerie höherwertige Produkte erzeugt. Hierbei entsteht ein ähnliches Produktgemisch leichter (atmosphärisch destillierbarer) Kohlenwasserstoffe wie beim Visbreaking. Die Ausbeuten leichter Kohlenwasserstoffe sind jedoch erheblich höher, es wird auch kein flüssiger gecrackter Rückstand gebildet, sondern fester Petrolkoks. Der Prozess besteht aus einem Ofen und nachfolgenden Kokskammern (engl. Coke Drums). Das delayed (deutsch: verzögert) hat hierbei folgende Bedeutung: Die Bildung von Koks findet nicht im Cracking-Ofen statt, sondern in den nachgeschalteten Kokskammern. Üblicherweise sind 2 Kokskammern mit einem Volumen von 500 bis 2000 m³ vorhanden, welche abwechselnd betrieben werden. Im Ofen wird das Gemisch auf Temperaturen von rund 500 °C bei 20 bis 30 bar erwärmt. Das heiße Gemisch aus dem Ofen kommt jeweils in die aktive Kammer, wo sich der schwerflüchtige Rückstand niederschlägt, während leichtere Produkte gasförmig abgezogen werden können. Der Rückstand wird durch das nachströmende heiße Gas gecrackt, bis lediglich Petrolkoks zurückbleibt. Die außer Betrieb befindliche Kammer wird dann mit Dampf und Wasser gekühlt. Der ausgehärtete Koks wird mit Wasserhochdruck bis zu 300 bar aus der jeweils inaktiven Kokskammer geschnitten. Die leichtflüchtigen Bestandteile werden destillativ getrennt und anderen Teilen der Raffinerie zugeführt, während der Koks als wertvolles Endprodukt verkaufsfähig ist oder in einem nachgeschalteten Calciner veredelt wird.
Flexicoking
Ein auf einem Exxon-Patent beruhendes thermisches Crackverfahren, aus schwersten Rückständen (Visbreaker-Vakuumrückstand u.ä) noch wertvolle leichte Kohlenwasserstoffe herzustellen. Die Kohlenwasserstoffgemische sind allerdings hocharomatisch und hocholefinisch (wie z.B. Light Coker Naphtha, LCN) und benötigen in den meisten Fällen noch eine zusätzliche Wasserstoffbehandlung. Der Prozess erzeugt nur sehr geringe Mengen Kohlenstaub, jedoch eine große Menge an niederkalorischem Gas, das einfach entschwefelt und als Heizgas verwendet werden kann.
Katalytisches Cracken
Katalytische Crackverfahren haben gegenüber den thermischen Verfahren mehrere Vorteile: Sie benötigen geringere Temperaturen oder niedrigeren Druck und laufen mit höherer Geschwindigkeit ab. Es wird zwischen zwei katalytischen Crack-Verfahren unterschieden: Hydrocracken und Fluidized-Bed-Catalytic-Cracken (FCC).
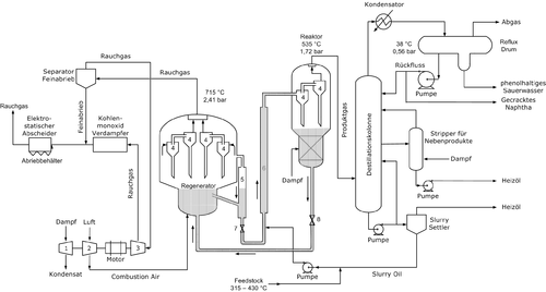
Fluid Catalytic Cracking (FCC)
1 Dampfturbine, 2 Luftkompressor, 3 Schnellentspanner, 4 Zyklone, 5 Rückstromgut, 6 Katalysator-Steigrohr
7 Absperrschieber für regenerierten Katalysator, 8 Absperrschieber für Frischkatalysator
Beim FCC wird das schwere Vakuumdestillat einer Raffinerie zu Gasen, Flüssiggasen, Benzinkomponenten, zwei Gasölfraktionen (LCO: Light Cycle Oil, HCO: Heavy Cycle Oil) und einer Rückstandsfraktion (Slurry) gespalten. Der Prozess wurde während des Zweiten Weltkrieges von den USA entwickelt, um die Produktion an Flugbenzin zu erhöhen. Alle relevanten Komponenten sind schwefel- und stickstoffhaltig, sowie olefinisch. Der hohe Olefingehalt ist für die Benzinkomponenten ein großer Vorteil (hohe Oktanzahl), dagegen der verbleibende Schwefelgehalt den verschärften Umweltauflagen in Deutschland ein Nachteil. Die Spaltung erfolgt bei Temperaturen zwischen 450 und 550 °C und einem Reaktordruck von 1,4 bar mit Hilfe eines Zeolith-Katalysators (Aluminiumsilikat). Da bei diesem Verfahren auch eine beträchtliche Menge Koks> gebildet wird, ist eine kontinuierliche Katalysatorregenerierung notwendig. Der Crackprozess wird daher in einem Wirbelschichtreaktor durchgeführt, wo der Katalysator abgezogen und in einem zweiten Reaktor (Regenerator) abgebrannt wird (d.h. der auf dem Katalysator abgelagerte Koks wird abgebrannt). Der regenerierte Katalysator wird dem Prozess wieder zugeführt. Das Reaktorprodukt wird in einer dem Prozess zugeordneten Anlage (Destillation, Merox-Behandlung, etc.) aufgearbeitet. Einige „moderne“ FCC Anlagen können atmosphärischen Rückstand verarbeiten (Rohöldestillation). Hierbei wird zwar erheblich mehr Koks erzeugt, die Wirtschaftlichkeit ist ggf. jedoch erheblich besser.
Hydrocracken
Beim Hydrocracken wird im Gegensatz zum FCC die Koks- und Olefinbildung vermieden, da Wasserstoff dem Prozess zugeführt wird. Das Hydrocracken ist ein sehr beliebtes Verfahren, da ein großes Produktspektrum möglich ist. Allerdings ist dieses Verfahren auch sehr teuer, da große Mengen Wasserstoff benötigt werden und das Verfahren bei sehr hohem Druck durchgeführt wird. Da Wasserstoff bei hohem Druck sehr gut durch die Reaktorwände diffundieren kann, sind hier teure Sonderstähle nötig. Der angewendete Katalysator ist bifunktioneller Natur: Metalle (z.B. Nickel) auf Alumosilikaten. Dabei sind die Metalle für die Hydrierung zuständig, die sauren Alumosilikate für das Cracken.
Die üblichen Prozessbedingungen im Reaktor sind Temperaturen von 350 bis 500 °C und Drücke von 70 bis 200 bar; die Verweilzeit beträgt einige Minuten. Eingesetzt werden Vakuumdestillate. Als Produkte werden Gase, Propan und Butan (LPG), Naphtha, Kerosin, Gasöl und als atmosphärischer Rückstand sogenannte HCU-Bottoms(auch: Hydrowax) erzeugt. Die chemische Zusammensetzung dieser Komponenten ähnelt den entsprechenden Schnitten der Rohölverarbeitung (n- und iso-Alkane, Cycloalkane und – je nach Prozessführung – geringe Mengen Aromaten). Weitere Vorteile sind der sehr geringe Stickstoff- und Schwefelgehalt der Produkte sowie die zum Teil hohen Produktqualitäten (hohe Cetanzahl der Gasölfraktion).
Auch für Vakuumrückstände gibt es Hydrocrackverfahren (H-Oil, Hycon).


© biancahoegel.de
Datum der letzten Änderung: Jena, den: 26.01. 2024