Erzwungene Schwingung
Die erzwungene Schwingung ist die Bewegung, die ein schwingungsfähiges System (Oszillator) aufgrund einer zeitabhängigen äußeren Anregung ausführt. Ist die Anregung periodisch, geht die erzwungene Schwingung nach einem Einschwingvorgang allmählich in die stationäre erzwungene Schwingung über. Bei der stationären erzwungenen Schwingung vollführt der Oszillator eine periodische Schwingung, deren Frequenz, unabhängig von seiner Eigenfrequenz, nur durch die äußere Anregung gegeben ist. Dabei schwingt der Oszillator mit einer zeitlich konstanten Amplitude, die besonders große Werte hat, wenn der Oszillator nur schwach gedämpft ist und die Anregungsfrequenz in der Nähe seiner Eigenfrequenz liegt (siehe Resonanz).
Erzwungene Schwingungen treten in vielen Bereichen des Alltags auf. In der Physik und Technik werden insbesondere erzwungene harmonische Schwingungen vielfach als Modell für die Reaktion eines Systems auf äußeren Einwirkungen genutzt. In der Mechanik erfolgt die Anregung typischerweise durch eine periodische Kraft auf einen Körper oder eine periodische Verschiebung seiner Ruhelage, in der Elektrotechnik und Elektronik durch eine Wechselspannung oder einen Wechselstrom, in der Optik und der Quantenphysik durch eine Elektromagnetische Welle, in der Quantenphysik auch durch eine Materiewelle.
Eine parametererregte Schwingung ist keine erzwungene Schwingung, da die Anregung nicht durch äußere Einwirkung, sondern durch Änderung von systemeigenen Parametern wie der Eigenfrequenz oder Lage des Schwerpunkts geschieht.
Beispiele aus der Mechanik
Die Gezeiten regen die Wassermassen in Meeresbuchten zu erzwungenen Schwingungen an. Bei geeigneter Gesamtlänge der Bucht kann die Amplitude von Ebbe und Flut besonders hoch werden, wie in der Bay of Fundy.
Wenn rotierende Maschinenteile nicht sorgfältig ausgewuchtet sind, führt das immer zu einer sogenannten kritischen Drehzahl, bei der die Kräfte das schwingungsfähige Gesamtsystem (Feder-Masse-System, bestehend aus Rotormasse und Welle oder aus Gesamtmasse und Aufhängung/Fundament) zu Resonanz anregen. Das ist bei der Rüttelplatte erwünscht, muss aber beim Automotor oder elektrischen Generator vermieden werden.
Die Fahrzeugführer von Erdbaumaschinen oder Gabelstaplern sind − abgesehen vom Lärm − stundenlang erzwungenen Schwingungen ausgesetzt, die zur Berufskrankheit führen können.
Wenn das Trommelfell eines Ohrs durch die Schallwellen nicht zu erzwungenen Schwingungen angeregt würde, gäbe es kein Hörvermögen. Vergleichbares gilt für viele Sinnesorgane der Tiere.
Unebenheiten der Fahrbahn regen darüberfahrende, gefederte Autos zu erzwungenen Schwingungen an, die – falls sie nicht durch Stoßdämpfer in kürzester Zeit gedämpft werden – die Lenk- und Bremsfähigkeit drastisch vermindern.
Hochhäuser werden durch Erdbebenwellen zu erzwungenen Schwingungen angeregt, die ohne Schwingungstilger zum Einsturz führen können.
Beispiele aus der Elektrotechnik
In Filterschaltungen wird eine Kombinationen von Spulen und Kondensatoren, manchmal auch Widerständen und Quarzen durch ein Gemisch aus elektrischen Wechselspannungen, das beispielsweise durch eine Antenne erzeugt wird, zu erzwungenen Schwingungen angeregt. Die Amplitude am Ausgang des Filters hängt stark von der Frequenz ab. Ohne Filter wären Funkgeräte wie Fernseher oder Radio unmöglich, weil sich sonst die einzelnen Programme nicht voneinander trennen ließen.
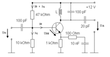
Wird der Eingang (links im Bild) der nebenstehenden Schaltung mit Wechselspannung der Frequenz 2 MHz und ausreichend hoher Amplitude gespeist, fließen durch den Transistor kurze Stromimpulse dieser Frequenz. Diese enthalten sehr viele Oberschwingungen, deren Frequenzen gemäß den Gesetzen der Fourierreihe stets ganzzahlige Vielfache der Grundfrequenz sind. In diesem Beispiel enthält der Kollektorstrom Anteile von 4 MHz, 6 MHz, 8 MHz usw. Ein Schwingkreis, dessen Resonanzfrequenz durch geeignete Wahl von L und C auf eine dieser Frequenzen abgestimmt ist, wird durch die Stromimpulse zu erzwungenen Schwingungen angeregt. Die Schaltung wird als Frequenzvervielfacher bezeichnet und erlaubt in einem Spektrumanalysator die Erzeugung höchster Frequenzen.
Der von einer Sendeanlage erzeugte Wechselstrom regt die Elektronen in den Drähten einer Sendeantenne zu erzwungenen Schwingungen an. Durch geeignete Wahl der Antennenlänge wird Resonanz erzeugt und die Leistung besonders effektiv abgestrahlt.
Bei Abschirmung elektrotechnischer Geräte werden die Elektronen der Metallhülle zu erzwungenen Schwingungen angeregt und strahlen ihrerseits elektromagnetische Wellen mit exakt gleicher Frequenz und Amplitude, aber gegenphasig ab. Im Innenraum kompensieren sich die Felder.
Bei jeder Art von Lautsprecher wird die Membran durch Wechselstrom (beim elektrodynamischen Lautsprecher) oder Wechselspannung (beim elektrostatischen Lautsprecher) zu erzwungenen Schwingungen angeregt. Dabei sollen Resonanzen vermieden werden, weil diese den Frequenzgang verschlechtern.
Beispiele aus der Optik
Vom Sonnenlicht werden die Elektronen angestrahlter Oberflächen zu erzwungenen Schwingungen angeregt und strahlen ihrerseits Licht ab. Auf Grund der Oberflächeneigenschaften des Körpers werden die Frequenzen mancher Farben bevorzugt. Die Chlorophyll-Moleküle von Pflanzen reflektieren bevorzugt grünes Licht, weil die Elektronen bei anderen Frequenzen keine erzwungenen Schwingungen ausführen können. Blaues und rotes Licht wird von Chlorophyll zum Zweck der Photosynthese absorbiert. Eine genauere Beschreibung bedarf der Quantenmechanik.
Das Sonnenlicht regt die Elektronen der Moleküle der Erdatmosphäre zu erzwungenen Schwingungen an, die dann ihrerseits Licht abstrahlen. Hierbei wird das kurzwellige blaue Lichtspektrum etwa 16-mal stärker gestreut als das rote Licht. Deshalb überwiegt die blaue Farbe im Licht unserer Atmosphäre.
Im Mikrowellenherd werden Wassermoleküle durch Hochfrequenzwellen zu Schwingungen (genauer: Umklappen) gezwungen und erwärmen sich infolge gegenseitiger Reibung. Mit gefrorenem Wasser funktioniert das nicht, weil die Moleküle wegen ihrer gegenseitigen Bindung im Kristallgitter nicht umklappen können.
Erzeugung
Alle schwingenden Systeme unterliegen einer Dämpfung. Sie benötigen für eine dauerhafte Schwingung daher immer einen äußeren Antrieb. Dieser gleicht den Energieverlust durch die Dämpfung aus. Die Dauerschwingung kann erwünscht sein, z.B. zur Tonerzeugung, oder unerwünscht. Durch Schwingungsisolation muss dann die Amplitude des Systems gering gehalten werden.
Oft erfolgt kein dauerhafter Antrieb. Das System wird also nur einmalig (beispielsweise beim Schlagen einer Trommel) oder über einen beschränkten Zeitraum (beispielsweise beim Streichen mit dem Geigenbogen) angeregt. In diesem Fall durchwandert das schwingende System zunächst den sogenannten Einschwingvorgang, um nach dem Ende des Antriebs als gedämpfte Schwingung abzuklingen.
Erzwungene Schwingung am harmonischen Oszillator
Am harmonischen Oszillator, zum Beispiel einem mechanischen Masse-Feder-Dämpfer-System wie nebenstehend abgebildet, lassen sich die Phänomene am einfachsten studieren.
In der Realität sind zwar die meisten Systeme, die Schwingungen ausführen können nur näherungsweise harmonisch, doch zeigen sie alle die Phänomene der erzwungenen Schwingung in zumindest ähnlicher Weise siehe Anharmonischer Oszillator).
Bewegungsgleichung
Der homogenen Differentialgleichung für einen linear gedämpften harmonischen
Oszillator wird eine externe Kraft
hinzugefügt, die auf die Masse einwirkt. Die Gleichung wird dadurch
inhomogen.
Darin bezeichnet
die momentane Auslenkung aus der Ruhelage,
die Masse des Körpers,
die Federkonstante
für die rücktreibende Kraft, und
die Dämpfungskonstante (s. Abb.).
Ohne äußere Kraft und Dämpfung würde das System mit seiner Eigenkreisfrequenz
frei schwingen. In komplexer Schreibweise (mit beliebiger reeller Amplitude
und Phase
) :
Tritt Dämpfung hinzu, kann das System freie gedämpfte Schwingungen mit der
Kreisfrequenz
ausführen, deren Amplitude proportional zu
abnimmt, worin
ist und
angenommen wurde:
Eine statische konstante Kraft
hätte eine Verschiebung der Ruhelage um
zur Folge.
Einschwingvorgang, stationäre Schwingung, allgemeine Lösung
Gegeben sei ein beliebiger Verlauf
der Kraft, also nicht notwendig periodisch oder gar sinusförmig. Je nach
Anfangsbedingungen wird das System verschiedene Bewegungen ausführen. Seien
und
zwei solcher Bewegungen, also Lösungen derselben Bewegungsgleichung:
.
Subtrahiert man diese Gleichungen voneinander, ergibt sich wegen der
Linearität in
und
,
dass die Differenz der beiden Bewegungen
die Bewegungsgleichung
erfüllt.
beschreibt also eine gedämpfte harmonische Schwingung des kräftefreien
Oszillators. Bei Dämpfung
nähert deren Amplitude sich Null. Daher gehen (bei gegebenem Verlauf von
)
alle verschiedenen erzwungenen Schwingungen des gedämpften Systems im Laufe der
Zeit in eine einzige über. Dieser Prozess heißt Einschwingvorgang, sein
Ergebnis ist die stationäre erzwungene Schwingung (im Folgenden mit
bezeichnet). Der Einschwingvorgang ist ein je nach Anfangsbedingungen
verschiedener, aber immer irreversibler Prozess. Die stationäre erzwungene
Schwingung
hat keine „Erinnerung“ daran, aus welchen konkreten Anfangsbedingungen heraus
sie entstanden ist.
Die allgemeinste Form der Bewegung ist durch eine Superposition von
stationärer Lösung
und gedämpfter Eigenschwingung
gegeben:
Periodische Anregung
Das System wird durch eine sinusförmig periodische Kraft, die auf die Masse wirkt, angeregt. War es vorher in Ruhe, wächst die Amplitude zunächst an und kann, wenn die Erregerfrequenz in der Nähe seiner Eigenfrequenz liegt, größere Werte erreichen als bei konstantem Einwirken der maximalen Kraft (siehe Resonanz). Sofern das Schwingungssystem nicht überlastet wird (Resonanzkatastrophe), geht die Schwingung allmählich in eine harmonische Schwingung mit konstanten Werten für Amplitude, Frequenz und Phasenverschiebung gegenüber der Erregerschwingung über. Dieses Verhalten zeigt sich vollkommen übereinstimmend für jede Art von harmonischem Oszillator. In der Realität sind zwar die meisten Systeme, die Schwingungen ausführen können nur näherungsweise harmonische Oszillatoren, doch zeigen sie alle die Resonanzphänomene in zumindest ähnlicher Weise.
Wenn die Kraft sinusförmig mit der Amplitude
und der Erregerfrequenz
verläuft, gilt
.
Eine Kraft mit anderem Verlauf, auch wenn er nicht periodisch ist, lässt sich
durch Addition sinus- (oder cosinus-)förmiger Kräfte verschiedener
Erregerfrequenzen darstellen (siehe Fouriertransformation).
Wegen der Linearität der Bewegungsgleichung ist die resultierende Bewegung dann
die entsprechende Summe der erzwungenen Schwingungen zu jeder einzelnen der
vorkommenden Frequenzen. Mathematisch äquivalent ist die Methode der Greenschen Funktion,
bei der zunächst die Antwort des Systems auf einen beliebig kurz einwirkenden
Kraftstoß (in Form einer Deltafunktion)
bestimmt wird, sozusagen auf einen Hammerschlag. Die Antworten auf die
Kraftstöße der Stärke
werden dann entsprechend zeitversetzt aufsummiert bzw. integriert.
Eingeschwungener Zustand bei sinusförmiger Anregung
Bei periodischer Anregung muss der eingeschwungene Zustand eine konstante
Amplitude
zeigen. Daher genügt für die Rechnung mit komplexen
Zahlen der Exponentialansatz
,
aus dem sich
und
bestimmen. Für die Kraft ist dabei
an Stelle von
einzusetzen, so dass hier der Imaginärteil die physikalische Bedeutung
trägt.
Es folgt
oder umgeformt
Wie bei der Formel für die komplexe Kraft hat hier nur der Imaginärteil direkte physikalische Bedeutung (der Realteil gehört zum Kraftverlauf entsprechend dem Realteil der komplexen Kraft):
Das ist eine harmonische Schwingung um die Ruhelage
mit der Kreisfrequenz
,
der (reellen) Amplitude
und der konstanten Phasenverschiebung gegenüber der anregenden Kraft
Darin ist:
: die Auslenkung bei statischem Einwirken der Kraft
,
: die auf die Eigenfrequenz bezogene Erregerfrequenz,
: die auf
bezogene, dimensionslose Lehrsche Dämpfung, die oft auch durch den Gütefaktor
ausgedrückt wird. Der Gütefaktor hat die Bedeutung, dass er die Zahl der Schwingungen angibt, nach denen (in Abwesenheit einer äußeren Kraft) die Amplitude auf
des Anfangswerts abgeklungen ist (nach
Schwingungen auf
).
Die Abhängigkeit der Amplitude
von der Erregerfrequenz
ist in der Abbildung dargestellt. Sie wird als Resonanzkurve der
Amplitude oder Amplitudengang des Systems bezeichnet. Sie hat bei
ein Maximum, falls
.
Zur näheren Beschreibung der Phänomene in der Nähe des Maximums des
Amplitudengangs siehe den Artikel Resonanz.
Die Phasenverschiebung liegt (bei der hier benutzten Vorzeichenkonvention)
für niedrige Erregerfrequenzen
zwischen 0 und 90°. Beim quasistatischen Fall, d.h. sehr langsam
variierender Anregung, folgt das System in seiner Schwingung mit einer geringen
Verzögerung der Schwingung der erregenden Kraft. Der Ausdruck für stationäre
Schwingung lässt sich hier (für
)
umformen zu
,
wobei
die Verzögerungszeit angibt. Demnach ist bei langsam variierender Kraft die
Auslenkung
in jedem Moment genau so groß, wie sie bei der kurz vorher einwirkenden Kraft
wäre, wenn diese konstant einwirken würde.
Bei
erreicht die Verzögerung genau 90°, so dass Kraft und Geschwindigkeit immer
gleichzeitig ihr Vorzeichen wechseln und somit ständig Energie in das
schwingende System hineinfließt. Bei dieser Anregungsfrequenz wird die in der
Schwingung gespeicherte Energie maximal.
Bei höherer Anregungsfrequenz steigt die Verzögerung weiter an. Bei Anregung weit über der Resonanzfrequenz schwingt das System fast in Gegenphase zur anregenden Kraft.
Einschwingen aus der Ruhelage
Um die zur Anfangsbedingung „Ruhelage“
passende Bewegung zu finden, müssen in der allgemeinen Formel
für die Parameter
und
der gedämpften freien Schwingung
die passenden Werte eingesetzt werden. Im einfachsten Fall wird der
Zeitnullpunkt an der stationären Schwingung orientiert und gerade auf einen
Nulldurchgang von
gelegt. Dann ist:
.
Die erregende Kraft ist dann durch
gegeben. Die Anfangsbedingung „Ruhelage“ wird gerade von
erfüllt. Dies gibt den vollständigen Bewegungsablauf wieder. Der zweite Term
in der Klammer stellt den Einschwingvorgang dar. Sein Beitrag ist bei langsamer
Anregung wegen
klein oder sogar vernachlässigbar. Er wird mit steigender Anregungsfrequenz
aber immer bedeutsamer. Bei hochfrequenter Anregung
macht er für eine gewisse Zeit den größten Anteil der Bewegung aus, bis der
Vorfaktor darin aufgrund der Dämpfung die Bedingung
erfüllt.
Im Fall geringer Dämpfung (
bzw.
)
zeigt sich bei Anregungsfrequenzen
im Bereich der Resonanz ein ausgeprägtes Schwebungsverhalten:
Der Oszillator schwingt mit der Mittelfrequenz
,
wobei die Amplitude moduliert ist. Sie beginnt bei Null und variiert mit der
halben Differenzfrequenz
sinusförmig ansteigend und abfallend. Zunächst "schaukelt die Schwingung sich
auf", bis etwa zur Zeit
das erste Amplitudenmaximum
erreicht wird. Bei schwacher Dämpfung (
)
kann
das Doppelte der Resonanzamplitude
des eingeschwungenen Zustands erreichen.
Je näher die Erregerfrequenz
der Eigenfrequenz
kommt, desto länger zieht sich das Aufschaukeln hin (
).
Im Fall der exakten Amplitudenresonanz
hat der Einschwingvorgang die besonders einfache Form
.
Hierbei nähert sich die Amplitude ohne Überschwingen asymptotisch der stationären Resonanzamplitude an.
Grenzfall verschwindender Dämpfung
Im theoretischen Idealfall verschwindender Dämpfung ist .
Von einem Einschwingvorgang, wie er im gedämpften Fall von der abklingenden
Eigenschwingung des freien Oszillators herrührt, kann man daher nicht mehr
sprechen.
Stationäre und allgemeine Lösung außerhalb der Resonanz
Jedoch existiert für sinusförmige periodische Anregung auch hier, sofern
,
eine wohlbestimmte stationäre Schwingung um die Ruhelage mit der Kreisfrequenz
,
wie sich aus der allgemeinen Formel (s.o.) für
sofort ergibt:
Die Amplitude dieser stationären Schwingung ist bei langsamer Anregung
so groß wie die Auslenkung im statischen Fall
.
Bei Annäherung der Resonanz
wächst sie über alle Grenzen und fällt zu höherer Frequenz hin wieder, ab
ist sie kleiner als
.
Unterhalb der Eigenfrequenz ist die stationäre Schwingung mit der Kraft in Phase
(Phasenverschiebung
),
bei Anregungsfrequenz oberhalb der Eigenfrequenz in Gegenphase (
).
Die allgemeine Lösung der Bewegungsgleichung heißt (immer unter der
Voraussetzung )
.
Die beiden freien Parameter
sind passend zu den Anfangsbedingungen
festzulegen. Außer im Fall
ergibt sich eine Überlagerung zweier harmonischer Schwingungen, im Falle
also eine Schwebung, die (theoretisch) beliebig lange anhält.
Spezielle und allgemeine Lösung in der Resonanz
Eine spezielle Lösung, passend zur Anfangsbedingung ,
gewinnt man so: In der obigen Formel für den Einschwingvorgang aus der
Ruhelage
.
kann man für den Grenzfall
ersetzen:
-
.
Es folgt:
.
Demnach wächst bei resonanter Anregung aus der Ruhelage die Amplitude
proportional zur Zeit an, theoretisch über alle Grenzen. Für die allgemeine
Lösung für beliebige Anfangsbedingungen muss zu dieser Formel noch wie oben eine
freie Schwingung
mit passenden Parametern
addiert werden.
Grenzfall Freies Teilchen
Auch ohne Rückstellkraft kann ein Körper eine periodische Bewegung ausführen, wenn eine äußere Kraft entsprechend auf ihn einwirkt. Beispiele für solche „Schwingungen“ sind das Hin- und Hergleiten oder -rollen eines Gegenstands auf einer Fläche, wenn die Reibung gering ist und die Fläche nicht hinreichend genau horizontal bleibt. Konkret: wenn eine Tasse auf dem Tablett ins Rutschen kommt und man sie durch entgegengesetzte Neigung zur Ruhe bringen will, oder wenn auf einem schwankenden Schiff die Decksladung sich losgerissen hat, oder wenn bei einem Geduldsspiel allein durch Neigen der Spielfläche Kugeln in eine Vertiefung zu dirigieren sind. Die Bewegungsgleichung (in einer Dimension, Bezeichnungen wie oben) ist
.
Sie entspricht der des harmonischen Oszillators mit Eigenfrequenz .
Eine periodische Anregung kann z.B. durch abwechselndes Neigen der
Fläche realisiert werden. Bei sinusförmiger Anregung gelten die für die
erzwungene Schwingung oben dargestellten Aussagen, wobei
zu setzen ist und daher für die Erregerfrequenz immer
gilt. Aus der Formel für die Amplitude wird so:
.
Die Ausschläge werden umso größer, je geringer die Anregungsfrequenz. Die
„Resonanzkatastrophe“
tritt mit Sicherheit ein, wenn
.
Sie ist durch eine Dämpfung
nicht zu verhindern. Die Bewegung ist gegenüber der Kraft verzögert. Die
Phasenverschiebung ist gegeben durch
.
Demnach ist sie bei schwacher Dämpfung ()
fast 180° und sinkt für starke Dämpfung (
)
bis 90°.


© biancahoegel.de
Datum der letzten Änderung: Jena, den: 06.07. 2024