Verstärker (Elektrotechnik)
Ein Verstärker ist eine elektronische Baugruppe mit mindestens einem aktiven Bauelement (meist einem Transistor, einem integriertem Operationsverstärker, vereinzelt auch einer Röhre), welche ein eingehendes Analogsignal so verarbeitet, dass die Ausgangsgröße größer wird als die Eingangsgröße. Dabei muss der Ausgang meist mehr Leistung abgeben können, als der Eingang aufnimmt. Die zusätzliche Leistung wird einer Energiequelle entnommen, also z.B. einer Batterie oder einem Netzteil. Verstärker gibt es sowohl für Gleichstrom bzw. Gleichspannung als auch für Wechselstrom bzw. Wechselspannung.
Wesentliches Kennzeichen ist in der Regel die Linearität: Eine Verdoppelung der Eingangsgröße muss zu einer Verdoppelung der Ausgangsgröße führen. Linearitätsabweichungen sind meist unerwünscht und werden als Verzerrungen bezeichnet. Dann werden auch Kombinationsfrequenzen erzeugt, die im Eingangssignal nicht enthalten sind und bei Audioverstärkern Klangverfälschungen hervorrufen. Für Sonderaufgaben kann statt des linearen Verhaltens beispielsweise ein logarithmisches oder radizierendes oder für gehörrichtige Lautstärke angepasstes Verhalten angebracht sein.
Übersicht
Ein von einer externen Quelle eingespeistes Signal wird durch einen Verstärker so geformt, dass der zeitliche Verlauf des Eingangssignals nachgebildet wird – nur mit höherer Leistung. Man kann dies anschaulich mit der Vergrößerungsfunktion eines Fotokopierers vergleichen – dieser vergrößert ebenfalls nicht das Original, sondern erzeugt lediglich ein größeres Abbild. Ein Verstärker erzeugt also ein „stärkeres Abbild“ eines schwachen Eingangssignals, indem er im Wesentlichen als elektrisch steuerbarer Widerstand arbeitet: Bei einem geringen Eingangssignal setzt er der Spannung aus der Energiequelle einen hohen Widerstand entgegen, so dass diese relativ stark abgeschwächt wird; bei höherem Eingangssignal stellt er einen geringeren Widerstand dar, so dass die Energie relativ ungehindert fließen kann.
Man unterscheidet zwischen einer Spannungs-Verstärkung aU und einer Strom-Verstärkung aI, letztere auch Puffer genannt, weil die Spannung im Eingang gleich der Spannung im Ausgang ist. Bei einer Dämpfung, eine negative Verstärkung, wird aU, kleiner 1 beziehungsweise kleiner 0 dB(v), was ein Filter auszeichnet, in dem bestimmte Frequenzbereiche abgeschwächt werden. Dafür ein typisches Beispiel: die Klang-Einstellung beim Audio-Vorverstärker.
Verstärken im Niederfrequenz-Bereich heißt zum Beispiel: Die geringe Spannung von wenigen Millivolt, die ein Mikrofon liefert, wird mit einem Kleinsignalverstärker auf einige Volt angehoben. Um einen Lautsprecher zu betreiben, benötigt man eine entsprechende Endstufe, welche die angebotene Tonfrequenzspannung auf den benötigten Wert verstärken und dabei als Großsignalverstärker auch ausreichend Strom liefern kann.
Verstärken im Hochfrequenzbereich heißt zum Beispiel: Im Empfänger wird eine sehr geringe Spannung von nur wenigen Mikrovolt, die von der Antenne kommt, in mehreren Stufen millionenfach heraufgesetzt, wobei im Regelfall gleichzeitig mit Hilfe von Schwingkreisen eine Frequenzauswahl erfolgt. In Sendeanlagen wird die geringe Leistung eines Oszillators in mehreren Verstärkerstufen auf bis zu einigen tausend Watt erhöht und über Antennen abgestrahlt. Die konkrete Leistung hängt vom Typ und Einsatzzweck der jeweiligen Sendeanlage ab.
Spannungsfolger setzen nicht die Spannung herauf, sondern den Strom, wobei die Eingangsspannung kaum belastet wird. Die Ausgangsspannung ist annähernd gleich der Eingangsspannung, sie „folgt“ der Eingangsspannung. Spannungsfolger werden in Endstufen, in Elektretmikrofonen und als Elektrometerverstärker eingesetzt.
Ferner unterscheidet man zwischen
- Breitbandverstärkern mit einem breiten Übertragungsbereich, z.B. Video-Verstärker mit einer Übertragungsbereich von 0 bis 100 MHz.
- Selektive Verstärker mit einem schmalen Übertragungsbereich, z.B. FM-ZF-Verstärker von FM-Überlagerungsempfänger mit einem Übertragungsbereich von 10,6 bis 10,8 MHz.
Abgrenzung
Schaltverstärker haben nur zwei Zustände und werden in diesem Artikel nicht weiter behandelt. Wesentliches Kennzeichen ist, dass man mit geringer Leistung einen meist erheblich größeren Strom (oder Spannung) ein- und ausschalten kann. Damit ist oft auch eine Potentialtrennung verbunden, z.B. wenn Netzspannungen geschaltet werden.
Schaltverstärker können mit aktiven elektronischen Bauelementen (Transistoren, Thyristoren, Triacs, Halbleiterrelais) oder auch mit mechanischen Relais realisiert werden. Im Gegensatz zu Analogverstärkern besitzen sie oft eine Mitkopplung, die ein Hystereseverhalten verursacht. Sie arbeiten dann wie ein Schwellenwertschalter, insbesondere, um unexaktes Schaltverhalten zu vermeiden und Störsignale zu eliminieren.
Bestandteile
Das eigentliche verstärkende Bauelement in Verstärkern ist ein sogenanntes aktives elektronisches Bauelement. Hierunter fallen u. a. Transistoren und Elektronenröhren, aber auch Transduktoren (Magnetverstärker). In der Hochfrequenztechnik kommen auch Maser, IMPATT-Dioden oder Tunneldioden zum Einsatz. Als besonders rauscharme Verstärker werden in der Messtechnik in einigen wenigen Fällen auch SQUIDs eingesetzt. Kennzeichen dieser Bauelemente ist die Steuerbarkeit eines großen Ausgangsstromes bzw. einer großen Ausgangsspannung/ -leistung mit einem kleineren Eingangssignal.
Ferner erfordert ein Verstärker neben diesen aktiven Bauelementen eine Vielzahl passiver Bauelemente, die u.a. der Energieversorgung, der Stabilisierung der Parameter, der Impedanzanpassung oder dem Schutz dienen. Dazu gehören Widerstände, Kondensatoren, Transformatoren bzw. Übertrager und Dioden.
Diskret aufgebaute Transistorverstärker werden zunehmend durch Operationsverstärker und integrierte Leistungsverstärker abgelöst, die fast die gesamte Verstärkerschaltung enthalten und nur wenige externe Bauelemente zum Betrieb erfordern.
Klassifizierung von Audioverstärkern
Die Verstärkung innerhalb eines möglichst breiten Frequenzbereiches, der durch die untere und die obere Grenzfrequenz gekennzeichnet ist, soll konstant sein. Dabei unterscheidet man folgende Betriebsarten bzw. Verstärker-Klassen:
- Eintaktverstärker Klasse A: Ein aktives Bauelement leitet immer, der fließende Strom wird gesteuert. Anwendung in Vorverstärkern sowie in Röhrenendstufen von Gitarrenverstärkern. Nachteilig ist der geringe theoretische Wirkungsgrad bei Vollaussteuerung von 6,25 % (Ohmscher Widerstand im nicht-aktiven Zweig) bzw. 25 % (Spule/Transformator oder Konstantstromquelle im nicht-aktiven Zweig).
- Gegentaktverstärker Klasse A: Es gibt zwei aktive Bauelemente, beide leiten immer. Anwendung in transformatorlosen Leistungsverstärkern. Maximaler theoretischer Wirkungsgrad bei Vollaussteuerung ist 50 %.
- Gegentaktverstärker Klasse B: zwei aktive Bauelemente arbeiten in einer Gegentaktschaltung abwechselnd (engl. push-pull). Theoretischer Wirkungsgrad bei Vollaussteuerung: 78,5 %. Wegen der hohen Nichtlinearitäten im Übergangsbereich findet diese Variante nur ausnahmsweise Anwendung.
- Gegentaktverstärker Klasse AB: zwei aktive Bauelemente arbeiten in einer Gegentaktschaltung abwechselnd (engl. push-pull). Theoretischer Wirkungsgrad bei Vollaussteuerung: 50 % … 78,5 %.
- In einem Vollbrückenverstärker arbeiten zwei Gegentaktverstärker gegeneinander auf jeweils einen der Lastanschlüsse. Der Lautsprecher bildet eine „Brücke“ zwischen beiden Verstärkern. Sie werden eingesetzt, wenn an einer gegebenen Lastimpedanz und bei gegebener Versorgungsspannung möglichst hohe Leistung erzielt werden muss (z.B. Autoradios).
- Klasse-C-Verstärker: Diese Verstärker arbeiten mit einem einzelnen aktiven Bauelement und werden bspw. in der HF-Technik (als Endverstärker) eingesetzt. Sie können nicht für alle Modulationsverfahren eingesetzt werden. Verstärker der Klasse C sind äußerst nicht-linear, bieten allerdings einen hohen Wirkungsgrad. Sie werden daher häufig für die Verstärkung von Signalen an Sendeantennen benutzt.
- Klasse-D-Verstärker: Analoge Leistungsverstärker können auch mithilfe von Schaltverstärkern aufgebaut werden. Dabei wird ein analoges Signal mit einem PWM-Modulator in ein pulsweitenmoduliertes Schaltsignal umgewandelt, das mit hoher Frequenz große Leistung ein- und ausschaltet. Ein Tiefpass-Filter entfernt die unerwünschte Schaltfrequenz-Anteile und rekonstruiert das gewünschte zeit-kontinuierliche Nutzsignal. Diese Methode bezeichnet man bei Audioverstärkern als Digitalendstufe, deren Wirkungsgrad erheblich höher ist als bei Klasse-AB- und -B-Verstärkern. Sie werden daher bei Audioverstärkern großer Leistung sowie zunehmend auch bei kleinen batteriebetriebenen Geräten eingesetzt. Theoretischer Wirkungsgrad unabhängig von der Aussteuerung: 100 %.
- Klasse-E-Verstärker vereinen Elemente des Klasse-D- und Klasse-C-Verstärkers zu einem Verstärker höchster Effizienz. Bei diesen arbeitet eine Schaltstufe auf einen Resonanzkreis, dessen Spannung über einen Tiefpass zur Last gelangt. Die Schaltstufe schließt immer dann, wenn der Schwingkreis im Nulldurchgang angelangt ist, dadurch verringern sich die Schaltverluste und Störungen gegenüber Klasse-D-Verstärkern. Anwendungsgebiet dieses Typs sind schmalbandige Hochfrequenzverstärker.
Funktionsbeispiel
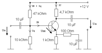
Die Funktion eines Verstärkers wird nachfolgend am Beispiel einer Kleinsignal-Transistor-Verstärkerstufe beschrieben.
Die Verstärkung eines Transistors ist in Emitterschaltung besonders groß und – wenn keine hohe Leistung gefordert wird – genügt bei A-Betrieb ein Kollektorstrom von um 1 mA. Mit einer Stromgegenkopplung kann man erreichen, dass der gewählte Arbeitspunkt auch bei Exemplarstreuungen der Transistorparameter eingehalten wird und fast temperaturunabhängig ist. Dazu soll der Spannungsabfall am 1-kΩ-Widerstand zwischen Emitter und Masse (das sind die untersten Symbole, die an 0 V angeschlossen werden) etwa 1 V betragen, denn UBE kann – abhängig von Exemplar und Temperatur – um etwa 0,06 V schwanken.
Im Bild wird die Basisspannung mit einem Spannungsteiler festgelegt auf
Der Querstrom Iq des Spannungsteilers soll groß sein gegenüber dem Basisstrom IB. Diese Forderung ist erfüllt, denn bei üblichen Transistoren gilt IC/IB ≥ 100. Bei Silizium-Transistoren gilt UBE = 0,6 V, deshalb liegen am Emitterwiderstand etwa 1,5 V und es fließt 1,5 mA Kollektorstrom.
Die zu verstärkende Spannung von wenigen Millivolt wird über einen Kondensator mit geringer Impedanz auf die Basis geleitet und mit vergrößerter Amplitude am Kollektor abgegriffen.
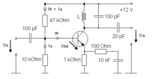
Die nebenstehende obere Schaltung verstärkt unterschiedslos alle Frequenzen zwischen etwa 150 Hz und 20 MHz, die untere nur einen eng begrenzten Bereich. Der Vergleich der Bilder zeigt, dass dies in erster Linie durch die Art des Kollektorwiderstandes festgelegt wird:
- In der oberen Schaltung ist er frequenzunabhängig und sollte so gewählt werden, dass die Kollektorspannung um den Mittelwert (hier ca. 5 V) möglichst symmetrisch schwanken kann, ohne in die Übersteuerung (clipping) zu geraten und so Verzerrungen zu verursachen. Der Frequenzbereich wird durch die Koppelkapazitäten an Ein- und Ausgang nach unten und durch den Transistor und die Schaltkapazitäten nach oben begrenzt.
- In der unteren Schaltung wird nur ein schmaler Bereich um die Resonanzfrequenz ω0 des Schwingkreises verstärkt. Nur hier ist der Parallelschwingkreis so hochohmig, dass mit ausreichender Verstärkung zu rechnen ist. Bei tieferen Frequenzen wirkt die Spule als Kurzschluss, bei höheren Frequenzen der Kondensator. Verstärkungsfaktor und Bandbreite hängen vom Gütefaktor des Schwingkreises ab.
Beide Verstärker sind bei Gleichstrom mit dem Emitterwiderstand 1 kΩ gegengekoppelt, der für einen stabilen Arbeitspunkt des Transistors sorgt. Angenommen, UBE sinkt temperaturbedingt um 40 mV, dann steigt die Spannung am Emitterwiderstand auf 1,54 V und der geplante Kollektorstrom vergrößert sich so geringfügig, dass sich keine nennenswerten Auswirkungen auf Verstärkung oder Klirrfaktor ergeben. Ohne diese Gegenkopplung könnte der Arbeitspunkt in den Sättigungsbereich kommen, wo sich beides drastisch ändert.
Diese erwünschte und notwendige Gleichstrom-Gegenkopplung verringert aber auch den Verstärkungsfaktor für Wechselspannung bei der oberen Schaltung auf den sehr geringen Wert 4,7, der sich aus dem Quotienten von Kollektor- und Emitterwiderstand ergibt. Das lässt sich durch eine parallel geschaltete Reihenschaltung aus 100 Ω und 10 μF umgehen. Der Kondensator bestimmt nun die untere Grenzfrequenz. Wenn die Impedanz des Kondensators ausreichend gering ist (bei der oberen Schaltung z.B. bei Frequenzen im kHz-Bereich), errechnet sich die Verstärkung nun aus dem Quotienten von Kollektor- und dem bei Wechselspannung wirksamen Emitterwiderstand (Parallelschaltung 1 kOhm und 100 Ohm) und steigt auf den Wert 4700/91 = 52.
Wenn man auf den 100-Ω-Widerstand verzichtet und den 10-μF-Kondensator unmittelbar vom Emitter nach Masse legt, steigt die Verstärkung aber nicht unbegrenzt, sondern auf etwa 200 – das ist durch interne Rückwirkungen im Transistor begrenzt. Dafür handelt man sich aber hörbare Verzerrungen ein, da die nichtlineare Kennlinie des Transistors nicht mehr durch Gegenkopplung linearisiert wird.
Kenngrößen analoger Verstärker
Die Leistung am Ausgang von Verstärkern reicht von wenigen μW in Hörgeräten bis zu mehreren hundert Kilowatt in Endstufen von amplitudenmodulierten Rundfunksendern auf Mittelwelle und Kurzwelle. Verstärker sind für eine bestimmte Lastimpedanz (4…8 Ohm bei Audioverstärkern) bzw. im Falle von Schaltverstärkern für einen maximalen Ausgangsstrom und eine maximale Ausgangsspannung spezifiziert.
Der Verstärkungsfaktor (kurz: die Verstärkung) gibt das Verhältnis zwischen Ein- und Ausgangsgröße (Spannung, Strom oder Leistung) an. Er wird durch einen Faktor oder logarithmisch (in Dezibel) angegeben.
Störabstand
Störungen beim Verstärken von analogen Signalen sind das Rauschen (siehe auch: Signal-Rausch-Verhältnis) sowie Fremdspannungen, wie Reste der versorgenden Netzwechselspannung. Sie werden durch den Störabstand oder den Fremdspannungsabstand beschrieben und meistens in Dezibel in Bezug auf Vollaussteuerung des Verstärkers angegeben.
Die elektromagnetische Verträglichkeit (EMV) beschreibt u.a. die Empfindlichkeit eines Verstärkers gegenüber externen elektromagnetischen Feldern (z.B. von Rundfunksendern, Schaltfunken oder Mobiltelefonen).
Verzerrungen
Man unterscheidet lineare und nichtlineare Verzerrungen.
- Lineare Verzerrungen betreffen die Frequenzabhängigkeit der Verstärkung sowie damit einhergehende Phasenwinkel-Abweichungen. Bei Musik wird die Verstärkung oft absichtlich durch Klangregler dem individuellen Geschmack angepasst. Lineare Verzerrungen erkennt man daran, dass bei der gleichzeitigen Verstärkung mehrerer Frequenzen keine neuen Kombinationsfrequenzen entstehen, die im ursprünglichen Signal nicht enthalten sind.
- Nichtlineare Verzerrungen treten auf, wenn sich die Ausgangsspannung nicht proportional zur Eingangsspannung ändert, beispielsweise beim Übersteuern. Dann spricht man vom Klirrfaktor des Verstärkers, der durch die mangelhafte Amplituden-Linearität erzeugt wird. Dabei entstehen immer neue Frequenzen, die nicht im ursprünglichen Signal enthalten sind. Wird der Verstärker mit einer einzigen Frequenz gespeist, bezeichnet man die neu entstandenen Frequenzanteile als Harmonische. Werden gleichzeitig mehrere Frequenzen eingespeist (Frequenzgemisch), führen die Intermodulationsverzerrungen immer zu Kombinationsfrequenzen, beispielsweise der Summe oder Differenz der ursprünglichen Frequenzen. Das ist bei einem Mischer oder Gitarrenverstärker erwünscht, bei einem HiFi-Verstärker ein Qualitätsmangel.
Bei Klasse-D-Verstärkern treten zusätzlich auch Quantisierungsfehler auf. Außerdem können bei diesen entsprechend dem Nyquist-Shannon-Abtasttheorem auch Fehler auf Grund zu geringer Abtast- bzw. Arbeitsfrequenz auftreten (Aliasing, Sub-Harmonische).
Nichtlineare Verzerrungen treten bei Übersteuerung (Überschreiten der maximalen Amplitude der Ausgangsspannung) oder bei Klasse-B-Verstärkern durch die sogenannten Übernahmeverzerrungen auf. Diese entstehen durch nicht ausreichend schnelle Stromfluss-Übernahme der beiden abwechselnd leitenden Ausgangsstufen.
An Mess- und Audioverstärker werden besonders hohe Anforderungen an den Rausch- und Störabstand, die Stabilität und den Frequenzgang gestellt.
Bei Audioverstärkern muss nicht nur für einen großen Frequenzbereich, der den Hörbereich einschließen soll, für einen linearen Frequenzgang und für geringe Verzerrungen (Klirrfaktor) des Signals gesorgt werden, sondern es ist auch ein möglichst kleiner Innenwiderstand, eine kurze Anstiegszeit, Impulstreue und Kanaltrennung erforderlich.
Gegenkopplung
Unter Gegenkopplung versteht man die phasenrichtige Rückführung eines Teiles des Ausgangssignales auf den Eingang des Verstärkers mit dem Ziel, die Verstärkung zu verringern. Den Nachteil der verringerten Ausgangsleistung kann man durch zusätzliche Verstärkerstufen einfach kompensieren. Die Vorteile lassen sich aber auf keine andere Art erzielen:
- Der Arbeitspunkt wird stabilisiert und kaum noch durch Herstellungstoleranzen, Temperaturänderungen u.a. beeinflusst. Gegenkopplung hat sich auch in anderen Gebieten der Technik bewährt.
- Nur durch Gegenkopplung lassen sich Verzerrungen von Verstärkern verringern.
Es gibt zwei unterschiedliche Vorgehensweisen:
- Bei Spannungsgegenkopplung wird ein Bruchteil der Ausgangsspannung von der Eingangsspannung subtrahiert und nur die Differenz wird verstärkt. Folge: Mit steigender Gegenkopplung verringert sich der Ausgangswiderstand (auch Quellwiderstand oder Innenwiderstand genannt) des Verstärkers (elektrisches Verhalten einer Konstantspannungsquelle). Bei Audioverstärkern werden die unerwünschten Eigenresonanzen der Lautsprecher stark gedämpft.
- Bei Stromgegenkopplung durchfließt der Ausgangsstrom (durch den Lastwiderstand) einen Widerstand mit vergleichsweise geringem Wert, an dem die benötigte Gegenkopplungsspannung abgegriffen werden kann. In diesem Fall vergrößert sich mit steigender Gegenkopplung der Ausgangswiderstand (elektrisches Verhalten einer Konstantstromquelle). Dieser Nebeneffekt ist bei selektiven Verstärkern erwünscht, weil dadurch der Gütefaktor der angeschlossenen Schwingkreise steigt.
Eine starke Gegenkopplung erfordert aufgrund der verringerten Verstärkung eine höhere Anzahl von Verstärkerstufen. Weil Elektronenröhren deutlich teurer (~10 € pro Stück) und voluminöser sind als Transistoren (~0,1 € bei Einzeltransistoren, ~0,001 € in Operationsverstärkern), verwendet man Gegenkopplung in Röhrenverstärkern eher sparsam und akzeptiert die geringe Wiedergabetreue. Hinzu kommt, dass der Ausgangsübertrager in der Nähe der Eigenresonanzen seiner Wicklungen Phasenverschiebungen erzeugt, welche die Gegenkopplung in eine sehr störende Mitkopplung verwandeln können.
Die Halbleitertechnik bietet mit ihren geringeren Abmessungen und Bauteilpreisen sowie der Integrierbarkeit die Möglichkeit, die Schleifenverstärkung (beispielsweise in Operationsverstärkern) extrem zu erhöhen und mit sehr hohen Gegenkopplungsfaktoren eine Linearisierung ausgezeichneter Qualität zu erreichen.
Eine Gegenkopplung kann jedoch unter Umständen den Frequenzbereich und das Zeitverhalten eines Verstärkers negativ beeinflussen: Erreicht ein Impuls (einmaliger, ggf. steilflankiger Vorgang) den Eingang eines Verstärkers, erscheint erst nach einer bestimmten Zeit das Ausgangssignal; das Gegenkopplungssignal erreicht den Eingang noch später. Während dieses Zeitraumes hat die Gegenkopplung keine Wirkung, die Schleife ist „offen“. Dieses führt insbesondere bei hohen Gegenkopplungsfaktoren und unzureichendem Schaltungsdesign zu transienten Signalabweichungen (sog. „Überschwinger“ oder Einschwingverhalten), bis sich das Ausgangssignal beruhigt hat (engl. settling). Diese Abweichungen sind umso größer, je näher der Verstärker an seiner Instabilitätsgrenze arbeitet. Auch die Last beeinflusst das Phasenverhalten, weshalb Audioverstärker besonders betroffen sind, da die an ihnen betriebenen Lautsprecherboxen einen stark frequenzabhängigen Impedanzverlauf haben.
Elektronenröhren- und Transistorverstärker unterscheiden sich sowohl im Verhältnis zwischen gerad- und ungeradzahligen Oberwellen (Verzerrungsspektrum) als auch in den transienten Verzerrungen. Röhrenverstärker sind durch den weicheren Einsatz von Übersteuerungs-Verzerrungen (soft clipping) charakterisiert, der gegenüber Transistorverstärkern höhere Quellwiderstand führt aber zu einer schlechteren Impulstreue, weil die Lautsprecher-Eigenresonanzen kaum gedämpft werden. Der Ausgangsübertrager sorgt mit seiner unvermeidlichen Streuinduktivität für eine geringe Bandbreite.
Audio-Transistorverstärker weisen dagegen unangenehmere Verzerrungen bei Übersteuerung auf. Übernahmeverzerrungen lassen sich durch erhöhten Ruhestrom und ausreichend schnelle Transistoren vermeiden.
Einsatzgebiete
Verstärker kommen in nahezu allen Bereichen der Elektrotechnik und Elektronik zum Einsatz.
Beispiele sind die Nachrichtentechnik, die Unterhaltungselektronik (Effektgeräte, elektronische Musikinstrumente, Synthesizer, Audioverstärker, Mikrofonverstärker), Messverstärker, Verstärker zur Ansteuerung von Aktoren (Motoren, Piezoelemente, Zugmagnete). In der Nachrichtentechnik werden sie englisch auch Repeater genannt.
In Festplatten und Tonbandgeräten arbeiten Verstärker beim Lesen und Schreiben mittels Magnetkopf. In Glasfasernetzen und CD- und DVD-Spielern sind elektrische Verstärker zum Betrieb von Laserdioden und zur Verstärkung der Signale von Fotodioden erforderlich.
CD- und DVD-Laufwerke besitzen zusätzlich analoge Verstärker zum Betreiben der Galvanometer-Antriebe zur Positionsregelung des optischen Kopfes zum Lesen/Brennen.
In Mobiltelefonen, Radios, Satelliten und Rundfunksendern sind Hochfrequenzverstärker zum Senden und Empfangen von Funkwellen erforderlich.
Schaltverstärker arbeiten z. B. zum Betrieb der Signallampen und der Fensterheber in Kraftfahrzeugen oder auch in Stromstoßschaltungen und Tasterschaltungen. Sie treiben Zugmagnete und Magnetventile in Automatisierungsanlagen und Maschinen.
Literatur
- Jean Pütz: Einführung in die Elektronik, vgs, 3. Auflage 1972, Kapitel Der Transistor im Verstärkerbetrieb


© biancahoegel.de
Datum der letzten Änderung: Jena, den: 05.03. 2024