Thomson-Brücke
Die Thomson-Brücke, auch Kelvin-Brücke, ist eine elektrische Brückenschaltung, welche zum Messen von kleinen Widerstandswerten bis hinunter in den Bereich einiger 10 µΩ dient. Sie ist im Aufbau verwandt mit der Wheatstone-Brücke und basiert auf der Vierleitermessung, um unerwünschte Kontaktwiderstände, die das Messergebnis verfälschen, zu minimieren. Die Schaltung ist nach William Thomson, 1. Baron Kelvin, benannt.
Die Thomson-Brücke besitzt, wegen des Aufwandes bei dem manuellen Abgleich der Brücke, in der praktischen elektrischen Messtechnik nur noch eine geringe Bedeutung und ist durch digitale Widerstandsmessgeräte, basierend auf der Vierleitermessung mit einem Referenzwiderstand, abgelöst worden.
Aufbau
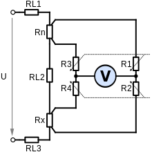
Die Schaltung besteht, wie in rechts abgebildeter Skizze dargestellt, aus dem unbekannten und zu ermittelnden Widerstand Rx und einem im Widerstandswert bekannten Referenzwiderstand Rn. Die dazu in Reihe vorhandenen Widerstände RL1, RL2 und RL3 stellen unerwünschte, aber unvermeidliche Leitungswiderstände, Kontaktwiderstände von Klemmen und ähnlichen mehr dar, sind im Wert unbekannt und können bei kleinen Messbereichen im Widerstandwert auch größer als der zu ermittelnde Widerstandswert von Rx sein. Zur Vermeidung des unerwünschten Einflusses dieser Leitungs- und Kontaktwiderstände wird sowohl bei dem zu ermittelnden Widerstand als auch dem Referenzwiderstand die sogenannte Vierleitermessung angewendet. Der Referenzwiderstand kann dabei als Shuntwiderstand mit vier Anschlüssen ausgeführt sein. Dabei ist der Strompfad, auf dem ein hoher Spannungsabfall infolge der Kontakt- und Leitungswiderstände auftritt, von dem Spannungspfad mit nur geringen Strömen getrennt. Der Strompfad wird durch eine externe Spannungsquelle U gespeist.
Die Spannungspfade versorgen die eigentliche Messbrücke, bestehend aus den vier Widerständen R1, R2, R3 und R4. Im Brückenpfad befindet sich ein Spannungsmessgerät V dessen angezeigter Wert als Abgleichbedingung der Schaltung auf den Spannungswert von 0 V abgeglichen werden muss. Der Abgleich der Brücke erfolgt durch Verändern der vier Widerstände R1, R2, R3 und R4, wobei sich R1 zu R3 und R2 zu R4 prozentual gleich verändern. Dazu sind je zwei Widerstände mechanisch in Form zweier Potentiometer ausgeführt, wobei R1 und R3 gemeinsam verstellt werden können, genauso wie R2 und R4. Diese Potentiometerbauform bestehend aus zwei veränderlichen Widerständen wird auch als Doppelpotentiometer bezeichnet. Alternativ können zum Abgleich statt Doppelpotentiometer auch umschaltbare Spannungsteiler eingesetzt werden, wobei dann zusätzlich der Referenzwiderstand Rn verändert werden muss.
Durch die oben beschriebene mechanische Verschaltung der Widerstände R1, R2, R3 und R4 gilt immer:
Ist die Brücke abgeglichen, dies ist dann der Fall, wenn die Spannungsanzeige am Messgerät 0 V anzeigt, gilt zusätzlich:
Der zu ermittelnde Widerstandswert Rx besitzt dann, bei bekannten Werten von Rn, R2 und R1, den folgenden Wert:
Die unerwünschten Leitungs- und Kontaktwiderstände RL1, RL2 und RL3 gehen dabei nicht in die Messung mit ein.
Literatur
- Elmar Schrüfer: Elektrische Meßtechnik. Messung elektrischer und nichtelektrischer Grössen. 5. Auflage. Hanser, München 1992, ISBN 3-446-17128-2.


© biancahoegel.de
Datum der letzten Änderung: Jena, den: 11.05. 2024