Vierleitermessung
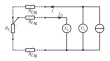
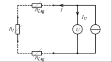
Die Vierleitermessung wird bei der Messung von elektrischen Widerständen mit einem Vierleiteranschluss eingesetzt, wenn Leitungs- und Anschlusswiderstände die Messung verfälschen können. Bei der Vierleiter-Messanordnung fließt über zwei der Leitungen ein bekannter elektrischer Strom durch den Widerstand. Die am Widerstand abfallende Spannung wird hochohmig über zwei weitere Leitungen abgegriffen und mit einem Spannungsmessgerät gemessen; der zu messende Widerstand wird daraus nach dem ohmschen Gesetz berechnet. Das Prinzip gilt analog bei der Strommessung mittels eines niederohmigen Shunts; hierbei wird die Unbekannte Stromstärke durch einen bekannten Widerstand mittels der abfallenden Spannung ermittelt.
Die Vierleitermessung wurde von William Thomson, 1. Baron Kelvin, erfunden und 1861 in Form einer Thomson-Brücke realisiert. Daher nennt man die zur Vierleitermessung erforderliche Kontaktierungsart auch Kelvinkontaktierung.
Grundlagen
Wenn bei der Vierleitermessung der Strom durch den Spannungsmesser vernachlässigbar klein ist, was in guter Näherung durch den sehr großen und im Idealfall unendlich hohen Innenwiderstand des Spannungsmessers erfüllt ist
(keine merkliche Messabweichung durch Stromverzweigung),
und wenn ferner der Spannungsverlust in den Messleitungen vernachlässigbar klein ist
(keine merkliche Messabweichung durch Spannungsteilung),
ergibt sich der Widerstandswert aus
Eine Speisung aus einer Stromquelle statt
Spannungsquelle wird empfohlen, weil dann der Strom
unabhängig von
und
ist und somit nur einmalig eingestellt oder gemessen werden muss.
Zu den Leitungswiderständen zählen die Widerstände der Zuleitungen und der Schraub- oder Steckverbinder.
Anwendungsbereich
Die Vierleitermessung wird vor allem bei der Messung kleiner Widerstände eingesetzt, wenn die parasitären Widerstände von Zuleitungen und Kontaktstellen nicht mehr vernachlässigbar klein gegenüber dem zu messenden Widerstand sind. Beispiele, in denen die Vierleitermessung erforderlich wird, sind:
- Bei Strommesswiderständen kann der Kontaktwiderstand größer sein als der Nennwert des Widerstands; darüber hinaus ist der Kontaktwiderstand mitunter schwierig zu ermitteln oder kaum abzuschätzenden Schwankungen unterworfen. Eine rechnerische Korrektur ist unter diesen Umständen nicht möglich.
- Bei Widerstandsthermometern in industriellen Temperaturmesseinrichtungen
mit Kupferleitungen im Freien ist der Temperatureinfluss auf
erheblich; dieser ist von Änderungen im Messobjekt
nicht unterscheidbar, wenn mit zwei Leitern gemessen wird.
Messabweichungen, die trotz Vierleitermessung auftreten können, werden in erster Linie durch Thermospannungen infolge von Temperaturdifferenzen zwischen den Anschlüssen verursacht. Diese lassen sich jedoch durch angeglichene Kontaktstellen-Temperaturen oder durch Materialpaarungen mit geringen Thermospannungen vermeiden.
Kelvinklemme
Als Kelvinklemme wird eine Zusatzklemme bezeichnet, die nur der Abzweigung oder Zufuhr eines relativ kleinen Messstroms dient. Sie dient als Kontaktierhilfe, um ein elektrisches Bauelement zu einer Vierleitermessung anzuschließen. Dieser Begriff ist in der Messtechnik nur noch wenig in Gebrauch; eher wird von Spannungsklemme (im Gegensatz zur Stromklemme) gesprochen.
Daneben wird Mess-Zubehör zur Vierleitermessung als Kelvinklemme oder (je nach Ausstattung) Kelvin-Messleitung bezeichnet, etwa für elektrische Multimeter, Oszilloskope oder Induktivitätsmessgeräte. Labor-Kelvinklemmen sind ähnlich wie Krokodilklemmen aufgebaut, wobei jedoch die beiden Schenkel voneinander isoliert sind und eigene Anschlüsse haben. Mit einem Paar solcher Klemmen erreicht man die vierpolige Kontaktierung.
Dreileitermessung
Bei industriellen Temperatur-Messanlagen können der Messwiderstand und die weitere Messschaltung weit entfernt liegen. Dann kommt man zu Einsparungen von Verkabelungskosten mit dem Dreileiteranschluss. Die stromführenden Leitungen müssen hierbei gleiche Widerstände besitzen (gemeinsames Kabel); die Kontaktwiderstände müssen vernachlässigbar klein sein.
Für die Dreileitermessung gilt
Die Differenzbildung zweier ähnlich großer Spannungen aus Messwerten mit zwei unabhängigen Messgeräten ist immer unsicher. Die Differenz lässt sich aber unmittelbar mit einer einfachen Messschaltung erfassen. Mit den bei nicht übersteuerten und nicht überlasteten Operationsverstärkern üblichen Näherungen,
- keine merkliche Spannung zwischen den Eingängen und
- keine merklichen Ströme in die Eingänge (aber bei unbehindertem Eingangsruhestrom),
stellt sich ein
Mit stromlos betriebener Leitung 2, mit
sowie mit gleichen Leitungswiderständen vereinfacht sich das zu
ist in
nicht mehr enthalten.
Auch die geringfügig verstimmte Wheatstone-Brücke arbeitet differenzbildend.
Wenn die beiden Widerstände rechts im Schaltplan gleich groß sind, entsteht eine Brückenquerspannung
Diese Spannung ist unabhängig von
ein Maß für eine Widerstandsabweichung von einem festen Bezugswert. Da die Spannung nicht proportional zu
, sondern zu
ist, lassen sich Änderungen besonders deutlich erkennen.
Abgrenzung gegenüber der Vier-Spitzen-Messung
Bei der Vier-Spitzen-Messung (auch Vierpunktmessung) wird der spezifische Widerstand einer Schicht bestimmt. Sie nutzt ebenfalls getrennte Leitungen für den Messstrom und den Spannungsabfall, jedoch sind die Kontaktspitzen örtlich durch gleiche Abstände voneinander getrennt.
Literatur
- Norbert Weichert, Michael Wülker: Messtechnik und Messdatenerfassung. 2. Auflage, Oldenbourg Verlag, München 2010, ISBN 978-3-486-59773-8.
- Christian Orgel, Rainer Rottmann: Handbuch Prüfung elektrischer Geräte und Anlagen. Verlag Herkert, Merching 2014, ISBN 978-3-86586-633-2.


© biancahoegel.de
Datum der letzten Änderung: Jena, den: 02.06. 2025